Se rendre au contenu

Support main-courante (02)

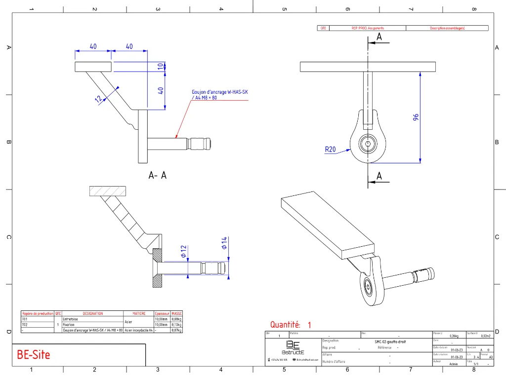
Ce support de main courante mural type goutte droit est conçu pour assurer une fixation fiable, discrète et durable de mains courantes métalliques ou bois.

Sa géométrie droite et épurée repose sur un assemblage soudé de pièces découpées, garantissant rigidité, continuité visuelle et simplicité de fabrication.

Le modèle est pensé pour une fabrication sérieuse en atelier métal ou pour un projet DIY métal maîtrisé, sans opérations complexes inutiles.

Conception étudiée

La conception repose sur des principes clairs de résistance mécanique et de rationalité de fabrication :

  • Support en acier découpé et soudé

  • Géométrie droite type “goutte”, sans pliage

  • Platine murale circulaire, assurant une bonne répartition des efforts

  • Bras de support droit, soudé en continuité avec la platine

  • Soudures visibles ou reprises selon finition souhaitée

  • Géométrie étudiée pour :

    • efforts verticaux (appui utilisateur)

    • efforts horizontaux (traction / poussée)

  • Conception adaptée aux escaliers, rampes et circulations

  • Fabrication optimisée pour :

    • découpe laser ou jet

    • soudure acier

    • perçage

    • finition atelier

Dimensions principales (selon plan fourni)

  • Type de support : goutte droit

  • Déport du support : ≈ 45 mm

  • Platine murale : format circulaire

  • Épaisseurs acier : selon plan fourni

Les cotes exactes, perçages et tolérances sont entièrement détaillés dans les plans PDF.

Matière & finition

  • Matière : acier

  • Masse unitaire : selon configuration

  • Finitions possibles :

    • acier brut

    • peinture / thermolaquage

    • galvanisation

    • finition métallisée (ex. RAL 9001)

Fabrication & usage

Ce support est destiné :

  • aux ateliers métal / ferronneries,

  • aux installateurs,

  • aux projets DIY métal avancés,

  • aux aménagements intérieurs et extérieurs.

La fabrication nécessite :

  • découpe des pièces

  • soudure acier

  • perçage

  • fixation adaptée au support (béton, maçonnerie, etc.)

Types de fichiers fournis

Le pack numérique comprend :

  • Plans PDF

    • vues générales

    • coupes et détails

    • cotations complètes

    • repérage des pièces

    • indications de fixation

  • Fichiers DXF

    • pièces prêtes pour découpe laser

    • géométrie conforme aux plans

  • Fichier STEP

    • modèle 3D pour intégration, adaptation ou vérification

      (inclus selon la version proposée sur la fiche produit)

Avantages du format numérique

  • Téléchargement immédiat

  • Compatible fabrication atelier ou DIY métal

  • Gain de temps sur la conception

  • Base fiable pour adaptations dimensionnelles

  • Aucun produit physique à expédier

Licence & responsabilités

Les fichiers sont fournis avec une licence d’utilisation standard.

Le fabricant et/ou installateur final reste entièrement responsable :

  • de la fabrication,

  • des soudures et assemblages,

  • du choix des fixations selon le support,

  • du respect des normes locales en vigueur,

  • de la sécurité et de la conformité de l’installation finale.

Les plans constituent une base technique de conception. Leur mise en œuvre relève de l’expertise du fabricant.

Résumé

  • Support mural de main courante type goutte droit

  • Acier découpé et soudé (sans pliage)

  • Design sobre et continu

  • Fabrication atelier ou DIY métal

  • Fichiers PDF + DXF (+ STEP)

Soudure Laser Dxf Files Step files
4,50 € 4,50 €

Dimensions globales